| Sign In | Join Free | My spintoband.com |
|
Brand Name : TEKO
Model Number : H74X
Certification : CE/PED, API
Place of Origin : Made in China
MOQ : 1 piece
Price : By negotiation
Payment Terms : L/C, T/T, Western Union, MoneyGram
Supply Ability : 350 tons per year
Delivery Time : 15 working days after deposit
Packaging Details : By export wooden cases
Temperature-Pressure : AMSE B16.34
Working Theory : Single Plate
Body Material : Carbon Steel, Stainless Steel
Installation : Horizontal Or Vertical (Upstream)
Meida : Water, Sewage etc
Surface treatment : Chrome Plated
Vertical Upstream Installation Single Check Wafer Check Valve With Short Length
Description
The main difference between standard swing check valves and wafer type swing check valves is that the wafer types do not have the full-bodied arrangement. When the valve opens, the disc is forced into the top of the pipeline. Due to a very short face-to-face dimension the body has a reduced bore. Swing type wafer check valves are virtually maintenance free, the disc is self-centering and protected and it has a special limit stop to protect against pipeline damage.
Application Areas:
TEKO swing type wafer check valves are suitable for use in pipeline systems, mainly cooling water systems;
• Distribution networks/water supply
• Paper mills and plant processes
• Shipbuilding
• Industrial application
Advantages:
• Cost saving simple design
• Easy installation
• Light in weight
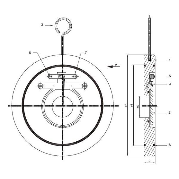
Design And Dimensions

| No | Part Name | Material |
| 1 | Body | Chromium Plated Carbon Steel |
| 2 | Disc | Chromium Plated Carbon Steel |
| 3 | Eye Bolt | Chromium Plated Carbon Steel |
| 4 | O-Ring | EPDM |
| 5 | O-Ring | EPDM |
| 6 | Retainer Screw | Chromium Plated Carbon Steel |
| 7 | Disc Bearing | Chromium Plated Carbon Steel |
| DN | ØA | ØB | ØC | D | |
| mm | ins | mm | mm | mm | mm |
| 32 | 1¼ | 85 | 72 | 18 | 14 |
| 40 | 1½ | 94 | 80 | 22 | 14 |
| 50 | 2 | 109 | 91 | 32 | 14 |
| 65 | 2½ | 129 | 111 | 40 | 14 |
| 80 | 3 | 144 | 119 | 54 | 14 |
| 100 | 4 | 164 | 147 | 70 | 18 |
| 125 | 5 | 194 | 171 | 92 | 18 |
| 150 | 6 | 220 | 200 | 112 | 20 |
| 200 | 8 | 275 | 256 | 154 | 22 |
| 250 | 10 | 330 | 302 | 192 | 26 |
| 300 | 12 | 380 | 352 | 227 | 32 |
|
|
Short Length Wafer Check Valve Single Plate With Vertical Upstream Installation Images |